土壤水分传感器的功能:可埋入不同深度的土壤中,实时监测各土层水分状况【型号推荐:TH-WS485,云境天合厂家直供发货,精选品牌认证品质保障】土壤水分传感器是用于精准测量土壤中水分含量的关键设备,对农业灌溉、生态研究及土壤环境监测具有重要意义。它通常基于频域反射法(FDR)或时域反射法(TDR)原理,通过发射高频信号并接收反射波,分析土壤介电常数变化,从而计算出土壤体积含水量。该传感器具备高精度、快速响应及长期稳定性等特点,可埋入不同深度的土壤中,实时监测各土层水分状况。其防水防腐蚀设计,确保在恶劣土壤环境下也能稳定工作。数据可通过有线或无线方式传输至监控平台,便于用户远程查看与分析。在农业领域,它能帮助农民科学灌溉,提高水资源利用率;在生态研究中,则为土壤水分动态变化研究提供可靠数据支持。

一、技术指标
1.供电:DC12V
2.功耗:小于0.1W
3.工作温度:-30~70℃
4.通信接口:RS485
5.工作电流:8mA DC12V
6.最短数据间隔:60S
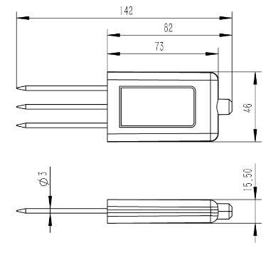
二、产品尺寸图

三、使用注意事项
1.传感器安装应严格按照安装使用说明书进行。
2.多个传感器同时工作时,必须间隔5米以上距离。
3.传感器测量原理限制,传感器测量地为中心半径5米范围内不应有电磁线缆和强磁辐射干扰,
避免造成传感器测量的巨大误差和损坏。
4.传感器的安装环境应该符合传感器的测量范围,避免超量程等不规范行为。
5.传感器安装应避开强酸强碱、重油污重金属环境进行。
6.传感器为土壤测量传感器,禁止将本传感器对其他行为。
7.传感器安装环境不能有强振动。
8.传感器不能有过强外力作用。
9.禁止拆卸,私自拆卸将不提供任何服务。
10.传感器探针较为锋利,使用时应按规定注意佩戴护具。
11.设备使用和维护应严格按照上述注意事项进行,如有违规使用的行为,本司不承担相关负责。
四、传感器参数
| 参数 | 测量范围 | 精度 | 分辨率 | 单位 |
| 土壤温度 | -30~70℃ | ±0.3(-10~50℃) | 0.01 | ℃ |
| 土壤含水率 | 0~100% | ±3%(壤土)高有机质土壤(土壤有机碳含量>12%)高粘粒含量土壤(粘粒含量>45%)由于其介电弛豫特性,可能需要针对特定土壤类型进行标定 | 0.01% | --- |
联系我们
山东天合环境科技有限公司 公司地址:山东省潍坊市高新区光电路155号潍坊高新区光电产业加速器(一期)1号楼 技术支持:仪表网扫一扫 更多精彩
微信二维码
网站二维码