【型号推荐:TH-WFB5,气象环境监测仪器设备生产厂家,云境天合支持商家定制服务,设备选择山东云境天合您放心】防爆气象仪主要作用—为城市管理、环境监测等提供气象信息,助力风险评估防爆气象传感器是专为易燃易爆危险环境设计的气象参数检测装置,能够精准测量风速、风向、温度、湿度、气压等关键气象数据。这些数据对于石油化工、煤矿、天然气开采、粉尘加工等高风险场所的安全运行至关重要,能够为工业安全和生产调控提供有力支持。工作原理基于先进的传感技术和信号处理算法。它通过发射连续变频超声波信号等传感手段,来测量和监测环境中的气象参数。这些传感器将采集到的数据转换为电信号,并通过内部电路进行处理和传输。最终,经过处理的气象数据可以通过有线或无线方式传输到监控中心或相关设备,供管理人员进行分析和决策。

一、产品简介
我司作为专业研发生产销售一体化防爆气象传感器的企业,一直致力于微型气象仪和气象环境解决方案推广应用。具有完整的生产链、实力雄厚的技术团队和全面的营销团队,我们研发生产的超声波防爆风速风向仪、防爆五要素微气象仪等气象产品,已广泛应用到化工厂、油库、隧道、矿井等领域,客户遍布全国各地,并取得了良好的社会效益和经济效益。
与传统的微型气象仪相比,我司产品克服了对高精度计时器的需求,避免了因传感器启动延时、解调电路延时、温度变化而造成的测量不准问题。
WFB5型防爆五要素微气象仪创新性地将风速、风向、温度、湿度、大气压力通过一个高集成度结构来实现,可实现户外气象参数24小时连续在线监测,通过数字量通讯接口将五项参数一次性输出给用户。
二、产品特点
1、顶盖隐藏式超声波探头,避免雨雪堆积的干扰,避免自然风遮挡☆
2、原理为发射连续变频超声波信号,通过测量相对相位来检测风速风向☆
3、风速、风向、温度、湿度、大气压力五要素一体式☆
4、采用先进的传感技术,实时测量,无启动风速☆
5、抗干扰能力强,具有看门狗电路,自动复位功能,保证系统稳定运行
6、高集成度,无移动部件,零磨损
7、免维护,无需现场校准
8、采用ASA工程塑料室外应用常年不变色
9、产品设计输出信号标配为RS485通讯接口(MODBUS协议);可选配232、USB、以太网接口,支持数据实时读取☆
10、可选配无线传输模块,最小传输间隔1分钟
11、探头为卡扣式设计,解决了运输、安装过程松动不准的问题☆
三、技术参数
1、风速:测量原理超声波,0~60m/s(±0.1m/s)分辨率0.01m/s;
2、风向:测量原理超声波,0~360°(±2°);分辨率:1°;
3、空气温度:测量原理二极管结电压法,-40-60℃(±0.3℃),分辨率0.01℃;
4、空气湿度:测量原理电容式,0-100%RH(±3%RH),分辨率:0.1%RH;
5、大气压力:测量原理压阻式,300-1100hpa(±0.25%),分辨率0.1hpa;
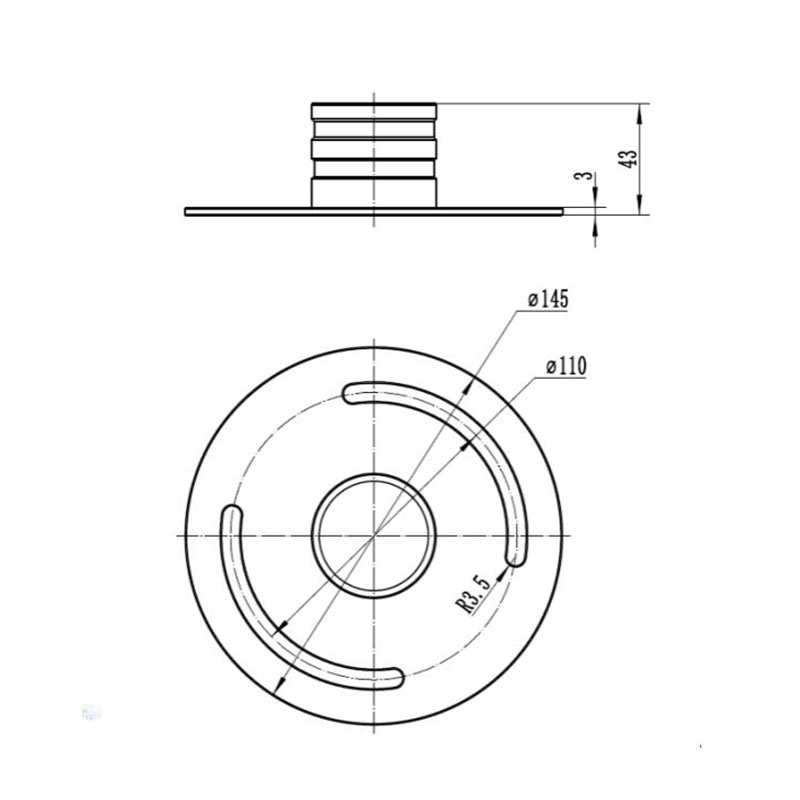
四、产品尺寸图
五、产品结构图

1、控制电路
2、指北箭头
3、超声波探头
4、百叶箱
5、温度、湿度、气压监测位置
6、底部固定法兰
※此产品可选配电子罗盘、GPRS(内置)/GPS(二选一)
六、产品接线定义
VCC:棕色,GND:黑色,485A:绿色,485B:蓝色
七、法兰盘固定方式
1、微气象仪
2、固定螺钉
3、通信电缆+航插
法兰盘尺寸
联系我们
山东天合环境科技有限公司 公司地址:山东省潍坊高新区新城街道玉清社区金马路1号欧龙科技园3号车间2楼204 技术支持:仪表网扫一扫 更多精彩
微信二维码
网站二维码