【型号推荐:TH-WS485,气象环境监测仪器设备生产厂家,云境天合支持商家定制服务,设备选择山东云境天合您放心】土壤水分温度传感器是一种用于同时测量土壤水分含量和温度的精密仪器。这种传感器通常采用频域反射或时域反射技术,通过测量土壤介电常数来获取水分数据,同时内置温度传感器检测土壤温度。其探针式设计便于插入不同深度的土壤层,能够实现连续、实时的监测。在农业生产中,该设备有助于精准灌溉,提高水资源利用率;在环境监测领域,可用于研究土壤蒸发、植物蒸腾等生态过程。现代传感器多配备无线传输模块,可将数据远程传输至云平台,配合数据分析软件实现智能化管理。使用时需注意探针与土壤的充分接触,定期校准以确保测量精度。
、
一、技术指标
1.供电:DC12V
2.功耗:小于0.1W
3.工作温度:-30~70℃
4.通信接口:RS485
5.工作电流:8mA DC12V
6.最短数据间隔:60S
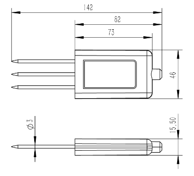
二、产品尺寸图

三、使用注意事项
1.传感器安装应严格按照安装使用说明书进行。
2.多个传感器同时工作时,必须间隔5米以上距离。
3.传感器测量原理限制,传感器测量地为中心半径5米范围内不应有电磁线缆和强磁辐射干扰,
避免造成传感器测量的巨大误差和损坏。
4.传感器的安装环境应该符合传感器的测量范围,避免超量程等不规范行为。
5.传感器安装应避开强酸强碱、重油污重金属环境进行。
6.传感器为土壤测量传感器,禁止将本传感器对其他行为。
7.传感器安装环境不能有强振动。
8.传感器不能有过强外力作用。
9.禁止拆卸,私自拆卸将不提供任何服务。
10.传感器探针较为锋利,使用时应按规定注意佩戴护具。
11.设备使用和维护应严格按照上述注意事项进行,如有违规使用的行为,本司不承担相关负责。
四、传感器参数
| 参数 | 测量范围 | 精度 | 分辨率 | 单位 |
| 土壤温度 | -30~70℃ | ±0.3(-10~50℃) | 0.01 | ℃ |
| 土壤含水率 | 0~100% | ±3%(壤土)高有机质土壤(土壤有机碳含量>12%)高粘粒含量土壤(粘粒含量>45%)由于其介电弛豫特性,可能需要针对特定土壤类型进行标定 | 0.01% | --- |
联系我们
山东天合环境科技有限公司 公司地址:山东省潍坊市高新区光电路155号潍坊高新区光电产业加速器(一期)1号楼 技术支持:仪表网扫一扫 更多精彩
微信二维码
网站二维码