大气电场仪:能够捕捉雷暴云形成初期的电荷活动,提供雷电预警支持【型号推荐:TH-DC1,云境天合厂家直供发货,精选品牌认证品质保障】大气电场仪是一种用于监测大气电场强度变化的精密仪器,其核心功能是通过实时捕捉雷暴云形成初期的电荷活动,为雷电预警提供关键数据支持。采用高灵敏度电极(如振动电容式或旋转叶片式)感应电场变化,将微弱电信号转换为可测量的电压或电流。通过屏蔽罩、滤波电路等技术减少环境噪声(如工业电磁干扰、风速影响)对测量精度的干扰。实时采集电场强度数据(单位:V/m),并通过算法分析电场变化趋势(如梯度、波动频率)。通过监测电场强度突变(如从100 V/m骤升至10 kV/m),提前预警雷暴发生,为机场、电力设施、户外活动等提供避险时间。

一、应用环境说明
大气电场仪是一种高精度的雷电监测与预警设备,能够实时监测大气中的电场变化,精准捕捉雷电活动的踪迹,为雷电灾害的防范提供有力支持。
在气象监测领域,大气电场仪可广泛应用于气象台站,对区域内的雷电活动进行连续、不间断的监测,为天气预报和气象灾害预警提供关键数据。通过对大气电场变化的分析,气象部门能够提前预测雷电天气的发生概率、强度和发展趋势,及时发布雷电预警信号,为社会公众、航空、航海等行业的安全运行提供重要参考依据。
对于各类易受雷击的场所,如石油化工企业、通信基站、电力设施、高层建筑等,大气电场仪可作为雷电防护的重要监测工具。在这些场所周边安装大气电场仪,能够实时掌握周边大气电场的动态变化,当监测到大气电场强度超过预设的阈值时,及时触发警报,提醒工作人员采取相应的防护措施,如停止户外作业、关闭关键设备等,从而有效降低雷电灾害对人员生命安全和设备设施造成的损失。
此外,在农业、林业等行业领域,大气电场仪也具有一定的应用价值。在农业生产中,提前获知雷电天气信息有助于合理安排农事活动,避免因雷电天气导致的农作物损失,同时也有利于保障农业作业人员的安全。在林业方面,可利用大气电场仪监测雷电活动,预防雷击引发的森林火灾,为森林资源的保护提供保障。
二、技术性能和规格
1.技术参数
| 量程 | -100kv/m——100kv/m |
| 精度 | ±0.001%F.S |
| 响应时间 | 3s |
| 外壳材质 | 6061铝合金 |
| 供电电压 | 12VDC(0.5W@12V) |
| 通讯方式 | Modbus-485 |
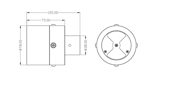
2. 尺寸图

三、安装和电气连接
1.安装
1.1:本产品属于较精密仪器,应该避免摔落冲击等现象。
1.2:设备避免高温,注意防水,防结冰;
1.3:开箱后的仪器应当保存在干燥、通风及无腐蚀性气体的场所,搬运时应小心轻放,切忌剧烈振动。灰尘、潮湿以及剧烈的温度变化会影响本产品的使用寿命,因此避免放置在这些地方。
使用时设备应有良好的接地
2.电气安装
线缆为4芯屏蔽线,线序定义:
1-红色-电源线(12~24VDC)
2-蓝色-地线(GND)
3-绿色-485B
4-黄色-485A
联系我们
山东天合环境科技有限公司 公司地址:山东省潍坊市高新区光电路155号潍坊高新区光电产业加速器(一期)1号楼 技术支持:仪表网扫一扫 更多精彩
微信二维码
网站二维码